Pentru erbicidatoare poloneze
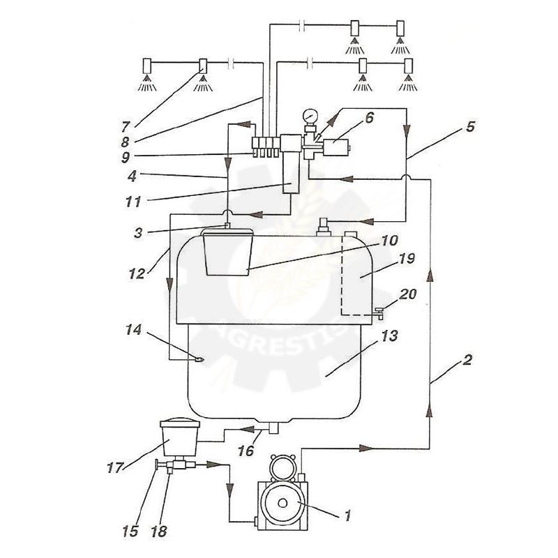
Subansamblu distributie de erbicid.
Imaginile afisate pe site sunt cu titlu de prezentare. Aspectul real al produselor poate sa difere fata de fotografii.
SC Agrestis SRL face eforturi permanente pentru a mentine acuratetea datelor aflate pe site. Cu toate acestea, pot exista erori in datele furnizate care includ dar nu se limiteaza la erori de masurare, erori de operare, diferente estetice, care nu influenteaza functionalitatea produsului. Daca sesizati o asemenea eroare, va rugam sa ne informati.
La cerere, punem la dispozitie documentatia necesara pentru achizitionarea produselor folosind fonduri nationale sau europene de dezvoltare.
Conform ordonantei de urgenta 34/2014, aveti dreptul de a returna orice produs achizitionat online, din orice motiv, in termen de 30 zile de la primire. Produsul trebuie sa nu prezinte urme de utilizare, zgarieturi sau lovituri si sa fie nefolosit. Taxele de transport in cazul returnarii ii revin cumparatorului in cazul in care motivul returului este determinat exclusiv de client. Returul se va solutiona in termen de 14 zile de la data receptionarii produsului de catre SC Agrestis SRL intr-un mod stabilit de comun acord cu clientul, prin schimbarea produselor sau returnarea contravalorii prin virament bancar.
Schita distribuitor erbicidare
Distribuitoare 3, 4, 5, 6 cai.
Reglajul debitului la erbicide depinde de 3 factori (vezi tabelul de mai jos):
- presiunea [bar];
- viteza de deplasare [km/h];
- tipul duzelor [diametrul orificiului duzei - mm].




























